Get SMS verification code
( 16 )mm
( 18 )mm
( 20 )mm
( 24 )mm
( 30 )mm
( 35 )mm
( 40 )mm
( 47 )mm
( 52 )mm
( 62 )mm
( 72 )mm
( 80 )mm
( 90 )mm
( 52 )mm
( 58 )mm
( 66 )mm
( 80 )mm
( 100 )mm
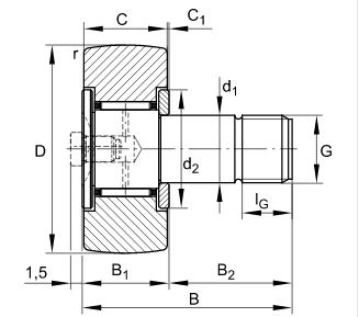
Bolt type roller
Bolt type roller
| PDF Download |
Send Inquiry | model | Mass m ≈ G | With eccentric sleeve model | Mass m ≈ G | Dimension mm | Press fit lubricating nipple1) | Tightening torque MA NM | Basic rated load n | Fatigue limit load CURW n | Speed nDG min– 1 | |||||||||||||||||
|---|---|---|---|---|---|---|---|---|---|---|---|---|---|---|---|---|---|---|---|---|---|---|---|---|---|---|---|---|
| D | d1 h7 |
B | B1 max |
B2 | B3 | C | C1 | r min |
d2 | d3 | G | lG | W2) | Eccentric sleeve < br > de < br > H9 | Eccentric sleeve < br > be | Eccentric sleeve < br > e | Dynamic load < br > CRW | Static load < br > Corw | ||||||||||
Deep groove ball bearing
Single row open or sealed
Single row open type
Double row
Single row with stop groove
Angular Contact Ball Bearing
Single row open or sealed design
Single row open design
Double row open or sealed design
Spindle Bearing
With steel ball
Ceramic ball
With steel ball seal
Ceramic ball seal
Four point angular contact ball bearing
Four point contact ball bearing
Aligning Ball Bearing
Cylindrical opening or sealing
Cylindrical or conical opening or sealing
Cylindrical or conical opening
Widened inner ring
Open or sealed with tight sleeve
Open type with tight fixed sleeve
Cylindrical Roller Bearing
Cylindrical roller bearing with cage
Cylindrical roller bearing with disc cage or spacer
Single row full loaded cylindrical roller bearing
Double row full loaded cylindrical roller bearing
High precision cylindrical roller bearing
cylindrical roller bearing
NF305
NU1074
NNU4068
Tapered Roller Bearing
Single row tapered roller bearing
Paired tapered roller bearing
Single row Inch Tapered Roller Bearing
Integral tapered roller bearing
Double row tapered roller bearing
Barrel roller bearings
Cylindrical or conical hole
With tightening sleeve
Spherical Roller Bearing
Cylindrical or conical hole
With tightening sleeve
With return sleeve
Needle roller and cage assembly
Single column
Single column and double column
Closed stamping outer ring needle roller bearing
Drawn cup needle roller bearings
Open and closed without seal
Open and closed seal
Open type, fully loaded needle roller unit, without seal
Machined needle roller bearing
No inner ring
Open type without inner ring
Open type with inner ring
No inner ring seal
With inner ring seal
Open type without flange and inner ring
Open type with inner ring without retaining edge
Centering with / without inner ring
Needle roller / thrust ball bearing without inner ring
Needle roller / thrust ball bearing without inner ring or outer cover
Needle roller / thrust cylindrical roller bearing without inner ring or outer cover
Needle roller / angular contact ball bearing with inner ring
There is no lubrication hole in the inner ring
Inner ring with lubrication hole
Drawn cup roller clutches
Without bearing with knurling or without knurling
Bearing configuration with or without knurling
Sealing rings
seal ring
Thrust Ball Bearing
One way thrust ball bearing
Bidirectional thrust ball bearing
Double way thrust angular contact ball bearing
Bidirectional thrust angular contact ball bearing
Thrust cylindrical,cage assembles,washers bearing
Thrust cylinder, cage assembly, washer bearing
Thrust roller cage assembles washers
Thrust needle roller and cage assembly thrust bearing washer
Thrust needle roller bearing with centering sleeve
Thrust sphercial roller bearing
thrust self-aligning roller bearing
Cross roller bearing
Cross roller bearing
Rollers
Supporting roller
Bolt type roller
Ball bearing roller
Roller with plastic cover tire seal
Screw support bearing
Thrust angular contact ball bearing
Needle roller / thrust cylindrical roller bearing
Seal assembly precision lock nut
High precision bearings with combined loading
Thrust / radial bearing
Thrust angular contact ball bearing
Insert bearing,Pillow blocks
insert bearing
Bearing pedestal unit
Chain transmission, Idler gear unit
Chain drive idler gear tooth unit
Idler gear unit
Pillow blocks
Vertical bearing pedestal SNV, split for tapered bore bearing with tight set sleeve
Vertical bearing pedestal SNV, split for cylindrical bore bearings
The vertical bearing seat S30 is suitable for tapered hole self-aligning roller bearing with tight set sleeve
Vertical bearing pedestal sd31, split, suitable for tapered hole self-aligning roller bearing with tight set sleeve
Vertical bearing pedestal loe, split for cylindrical hole self-aligning roller bearing
Vertical bearing pedestal loe, split, suitable for tapered hole self-aligning roller bearing with tight set sleeve
Vertical bearing pedestal unit vre3, non split belt shaft and bearing
Vertical bearing pedestal Bnd, non split, suitable for self-aligning roller bearings
Bearing pedestal F112 with flange, non split, suitable for self-aligning ball bearing with widened inner ring
Bearing pedestal F5 with flange, non split, for tapered bore bearing with fixed sleeve
Vertical bearing pedestal SNL series
Fastners and retainer
Tightening sleeve
Return sleeve
Lock nut
Slotted lock nut
Tab washer
Stop plate
Rolling element
steel ball
cylindrical roller
europa
Europe
Im nahen osten.
middle East
asean, ozeanien
ASEAN·Oceania
Shaanxi ICP B no.12004210-2
